Лекция
Привет, Вы узнаете о том , что такое теорема тевенена, Разберем основные их виды и особенности использования. Еще будет много подробных примеров и описаний. Для того чтобы лучше понимать что такое теорема тевенена , настоятельно рекомендую прочитать все из категории Электротехника, Схемотехника, Аналоговые устройства.
теорема тевенена (теорема Тевенина, теорема Тевенина — Гельмгольца ) — утверждение о том, что любой источник может быть эквивалентно заменен на последовательно соединенные идеальный источник напряжения и внутреннее сопротивление; является двойственным утверждением к теореме Нортона об эквивалентной замене произвольной цепи на параллельно соединенные идеальный источник тока и резистор.
Впервые сформулирована Германом фон Гельмгольцем в 1853 году и независимо от него французским инженером-электриком Леоном Шарлем Тевененом (фр. Léon Charles Thévenin) в 1883 году

Симуляция теоремы онлайн
Для линейных электрических цепей теорема утверждает, что любая электрическая цепь, имеющая два вывода и состоящая из произвольной комбинации источников напряжения, источников тока и резисторов (сопротивлений), электрически для этих двух выводов эквивалентна цепи с одним идеальным источником напряжения с ЭДС и одним резистором
, соединенными последовательно с этим источником напряжения.
Иначе говоря, ток в любом сопротивлении , присоединенном к любой цепи, равен току в этом же сопротивлении
, присоединенном к идеальному источнику напряжения с напряжением, равным напряжению холостого хода цепи (напряжению на этих зажимах когда к ним ничего не подключено) и обладающим внутренним сопротивлением
, равным полному сопротивлению «закрытой части» цепи, определенному со стороны зажимов
при условии, что все источники внутри цепи заменены полными сопротивлениями, равными внутренним полным сопротивлениям этих источников.
То есть, экспериментально, параметры эквивалентной замены «черного ящика» с двумя выводами определяются из двух измерений — опыта холостого хода и опыта короткого замыкания. Об этом говорит сайт https://intellect.icu . Пусть напряжение на зажимах (выводах) при холостом ходе будет а ток при коротком замыкании этих же зажимов
тогда:
и
где — ЭДС идеального источника напряжения в эквивалентной замене,
— сопротивление последовательно включенного с источником резистора в эквивалентной замене.
Если известна структура и параметры некоторой цепи, то формально можно вычислить параметры эквивалентной замены. При этом анализе при вычислении эквивалентного сопротивления все идеальные источники напряжения, входящие в цепь, мысленно закорачиваются, и вычисляется сопротивление полученной цепи относительно рассматриваемых зажимов. Далее пользуясь, например, правилами Кирхгофа вычисляется напряжение на зажимах. Полученные сопротивление и напряжение как раз и будут параметрами эквивалентной замены.
Теорема также применима для цепей синусоидального переменного тока в установившемся режиме, но при этом учитываются не активные сопротивления, токи и напряжения, а соответственно импедансы и комплексные амплитуды токов и напряжений.
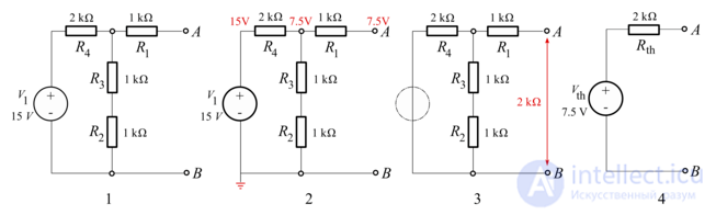
Вычисление эквивалентного напряжения (ЭДС) — напряжение, снимаемое с резистивного делителя напряжения состоящего из сопротивлений , так как рассчитывается режим холостого хода, ток через резистор
и падение напряжения на нем нулевое:
Вычисление эквивалентного сопротивления, источник напряжения закорочен:
Здесь символом обозначено сопротивление параллельного соединения резисторов
и
Исследование, описанное в статье про теорема тевенена, подчеркивает ее значимость в современном мире. Надеюсь, что теперь ты понял что такое теорема тевенена и для чего все это нужно, а если не понял, или есть замечания, то не стесняйся, пиши или спрашивай в комментариях, с удовольствием отвечу. Для того чтобы глубже понять настоятельно рекомендую изучить всю информацию из категории Электротехника, Схемотехника, Аналоговые устройства
Из статьи мы узнали кратко, но содержательно про теорема тевенена
Комментарии
Оставить комментарий
Электротехника, Схемотехника, Аналоговые устройства
Термины: Электротехника, Схемотехника, Аналоговые устройства