Лекция
Привет, Вы узнаете о том , что такое электрические соединения, Разберем основные их виды и особенности использования. Еще будет много подробных примеров и описаний. Для того чтобы лучше понимать что такое электрические соединения , настоятельно рекомендую прочитать все из категории Конструирование и проектирование электронной аппаратуры.
Линии передач (ЛП). Под электрическими соединениями понимают линии передачи (ЛП) и электрические контакты, служащие для передачи сигналов и электрической энергии между ТС, радиодеталями и модулями, образующими РЭА.
электрические соединения бывают внутримодульными и межмодульными, внутриблочными и межблочными и т. п., что обуславливает их конструктивное исполнение.
По выполняемым функциям различают сигнальные ЛП, объединяющие входы
и выходы элементов и модулей и предназначены для передачи сигналов и ЛП электропитания, осуществляющих подвод электрической энергии к элементам.
Все ЛП имеют прямую и обратную проволоку. Обратную проволоку называют землей,
линией нулевого потенциала, общей проволокой. Выделяют неэкранированные и
экранированные ЛП. Экраны обеспечивают защиту линий от действия электрических, магнитных и электромагнитных полей. В зависимости от конструктивных особенностей
обратной проволоки ЛП подразделяют на симметричные, состоящие из
двух одинаковых изолированных проволок, несимметричные с одной общей проволокой
для многих ЛП, и коаксиальные, с обратной проволокой по оплетке коаксиального кабеля.

В общем случае, линии передачи должны иметь:
Универсальных ЛП, удовлетворяющих всем требованиям одновременно, не существует. В настоящих конструкциях используют разные типы ЛП в зависимости
от назначения и функциональных особенностей аппаратуры По выбору типа
ЛП влияют форма передаваемых сигналов, их напряжение и частота, ослабление
сигнала на единицу длины линии, механическая гибкость, технологические требования
и другие факторы
Радиоэлектронные устройства содержат разнообразные по выполняемым функциям элементы и модули, отличающиеся характером обрабатываемых сигналов, их мощностью, частотой и т.п. При передаче электрических сигналов по ЛП
происходит искажение формы и спектра сигналов, их затухание. Искажение сигнала определяется степенью согласования параметров электронных схем
с параметрами ЛП, взаимным влиянием расположенных по соседству ЛП, задержкой сигналов в ЛП. Выбор конструктивно-технологического варианта выполнения электрических соединений – важная и сложная задача, влияющая на качество
проектируемой РЭА.
Электрический сигнал передается по проводнику тока, которым является металлическая проволока (проволока), пленочные и печатные проводники. В поперечном сечении
провода бывают круглыми или прямоугольными, пленочные и печатные проводники
- прямоугольными. Проволоки защищаются изолирующими диэлектрическими оболочками, а при необходимости – экранами. По волноводам и волоконно-оптическим
ЛП передается электромагнитная энергия радиочастотного (волновод) и светового (светопровод) диапазонов.

(рис. 5.1.1), скомпонованные, например, в жгутах из нескольких десятков линий.
Для повышения производительности труда при сборке РЭА и упрощения
электромонтажных работ ЛП объединяют конструктивно-технологически в узлы
Иниями электропитания являются объемные провода, пленочные и печатные проводники или электропроводящие пластины. Конструктивное исполнение сигнальных
ЛП разнообразнее и во многом определяется частотным диапазоном сигналов.
Все сигнальные линии связи разделяют на электрически длинные и электрически
короткие, характер искажения сигналов в которых разный.
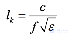
Электрически короткой называют ЛП, длина которой для гармоничного
сигнала определяется по выражению

где f – частота сигнала, c – скорость света, e – относительная диэлектрическая проницаемость среды, окружающей линию передачи.
Расчет ЛП для импульсных сигналов производится на гармонику
наибольшей частоты, значение которой
примерно равно
, где tф – значение фронта сигнала на уровне 0,1
и 0,9 амплитуд сигнала
Электрически короткие ЛП.
При
анализе электрических процессов краткую
ЛП моделируют эквивалентной схемой, состоящей из емкости и индуктивности ЛП, сосредоточенными в одной точке (рис. 9.1.2-б). активным
сопротивлением линии пренебрегают. Модуль 1
формирует сигнал, представляемый источником напряжения U с последовательно включенным сопротивлением R1. Модуль 2 является приемником сигнала и моделируется входным
сопротивлением R2.
При R2 >> R1 эквивалентную схему индуктивно-емкостной короткой линии
совместно с сопротивлением R1 можно представить резонансным контуром, в котором могут возникнуть колебания с частотой:

В результате колеблющегося процесса напряжение на входе схемы 2 может многократно пересечь порог ее срабатывания и вызвать многократное изменение ее
логического состояния Если колебания в ЛП прекратятся за минимальное время продолжительности передаваемого фронта по линии сигнала, то они не повлияют на работоспособность аппаратуры. Условие отсутствия колебаний в линии выполняется при
В этом случае индуктивностью линии можно пренебрегать(в).
Реакция емкостной ЛП (в) на синусоидальный сигнал будет проявляться в
уменьшении амплитуды выходного напряжения и сдвиге фазы выходного сигнала относительно входящего. В общем случае сигналы на входе и выходе ЛП могут
существенно отличаться. Если ЛП нагружается на пороговые схемы, то при подаче на вход ЛП прямоугольного импульса амплитудой U время срабатывания
схемы задерживается на величину:

где R C1
t = – постоянное время, Unop - пороговое напряжение логического элемента 2.
Если длительность импульса гораздо больше τ, то ЛП передаст импульс практически без искажений. Иначе линия передачи будет вести себя подобно интегрирующей RC – цепи, занижая амплитуду импульса и сглаживая его
фронты.
Перекрестные помехи обусловлены электрическим, магнитным и электромагнитным взаимодействием расположенных по соседству ЛП. Микроминиатюризация и
увеличение плотности упаковки проводников ставят перед конструктором
важную задачу уменьшения помех до уровней, не влияющих на точную и
надежную работу аппаратуры. Уровень помех зависит от взаимной индуктивности проводников и межпроводниковой емкости, создавая соответственно индуктивную и емкостную составляющие взаимных помех. Об этом говорит сайт https://intellect.icu . Емкостная составляющая растет с ростом скорости изменения напряжения на входе ЛП и величин сопротивлений на концах линии,
индуктивное препятствие – с ростом скорости изменения тока в линии и увеличением числа нагрузок на выходе активной линии.
Снизить значение паразитной емкости между ЛП можно уменьшением длины взаимного параллельного расположения проводов на минимально возможном.
расстояния друг от друга, увеличением промежутка между ними, укладкой проводов, передающих разные по уровням сигналы, в отдельные жгуты, приближением
ЛП к земле, вводом экранированных проводов, использованием коаксиальных кабелей. Например, заземление оплетки коаксиального кабеля позволит
полностью избавиться от емкостной помехи. Ослабить взаимную индуктивность можно
счет разноски ЛП как можно дальше друг от друга, уменьшением площади контуров, образуемых проводами, по которым протекают прямые и обратные
токи ЛП, использованием экранированных проводов, свитых пар, коаксиальных кабелей.
Хотя параметры линии распределены
вдоль ее длины, на эквивалентной электрической схеме ЛП их аппроксимируют
сосредоточенными на малых фрагментах линии (рис. 5.1.3), где R, L, C – погонные
(на единицу длины)
сопротивление, индуктивность, емкость. Важнейшей характеристикой электрически
длинной ЛП является ее
волновое сопротивление Z0.

Волновое сопротивление – это сопротивление линии
электромагнитной волны при отсутствии отражений от концов линии. Она зависит от первичных электрических параметров кабеля и частоты сигнала.
Если электромагнитную волну представить в виде раздельных волн напряжения и тока, то соотношение между ними и является волновым сопротивлением цепи:

Волновое сопротивление является комплексной величиной и состоит из активной и реактивной части. Зависимость волнового сопротивления от частоты повышается в
области низких частот и имеет емкостной характер (2pfL< частот имеет место
и значение волнового сопротивления стремится к
постоянной величины, которое и берется за значение Z0.

Рис.5.1.4.
При передаче сигналов по длинным линиям важно согласовывать сопротивление нагрузке с волновым сопротивлением линии. В несогласованной линии одновременно присутствует прямая (падающая) волна, что
распространяется от начала линии к ее концу, и отражена от нагрузки обратная волна, передающаяся от конца линии к ее началу. Отношение амплитуды
напряжения UВ отраженной от нагрузки R волны до амплитуды UП волны
падает, определяется коэффициентом отражения:

Отраженная волна распространяется от конца линии к началу (с определенной потерей энергии на Z0), через определенное время задержки
t достигает начала линии и точно также отражается от выходного сопротивления источника сигнала. Значение скорости распространения волн на высоких частотах стремится к постоянной величине
, и, соответственно,
. На низких частотах, где преобладает емкостью характер линии, время задержки может увеличиваться в 1.5-2 раза.
Если сопротивление в начале и конце линии соответственно R1 и R2 и придерживается отношения R1 и выходе
r В2
линии соответственно будут 1
0 1 > >- r В и 2
0 1 < < r В .
Искажение импульсного сигнала, когда длительность переданного импульса tы << tс
, при прохождении его по ЛП показано на рис. 5.1.4. Сигналы на графиках соответствуют моментам их прихода на вход U1 и выход U2
ЛП. Следует обратить внимание на изменение полярности отражаемых сигналов в зависимости
от соотношения величин R1 и R2 с
величиной Z0. Таким образом, на вход
линии поступил один импульс, а на входе
нагружен на линию ТС с периодом
2tс может оказаться несколько импульсов, превышающих порог ее срабатывания.
Уменьшение или полное исключение
отражений в длинных линиях можно
добиться их согласования. Линия передачи считается согласованной, если
сопротивление, на которое она нагружена, равно
волновому сопротивлению линии, при этом значение r В2
становится равным нулю. Рекомендуется также проводить согласование линии и с источником сигнала, если его
выходное сопротивление R1 много меньше Z0, что обнуляет значение r В1
. Согласование обеспечивается введением резисторов Rc
Согласующие на входах и выходах
ЛП. Для источников сигналов с малым выходным сопротивлением применяют последовательное
согласование с ЛП
, на приемниках сигналов с высоким входным
сопротивлением – параллельное согласование
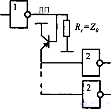
. При большем количестве на
грузов на выходе ЛП для согласования используют эмиттерные повторители (рис. 5.1.5).
При конструировании цифровой аппаратуры
входы триггеров, одновибраторов, регистров не рекомендуется подключать непосредственно к длинным
линий. Отсутствие буферных каскадов из-за значительной
емкостной нагрузки и наличие отражений
приведет к неустойчивой работе аппаратуры. В качестве буферных каскадов для восстановления фронтов импульсов обычно используются триггеры Шмитта. Аналогично буферные каскады рекомендуется использовать и для согласования коаксиальных кабелей с
волновым сопротивлением 50 Ом, при этом выход кабеля
нагружается на сопротивление 51 Ом.

Рис. 5.1.5.
В зависимости от специфики разрабатываемой аппаратуры, как длинные линии используют микрополосковые и полосковые печатные проводники, обвитую пару,
плоский кабель, коаксиальный кабель. При высоком уровне наружных для ЛП
электромагнитных помех рекомендуется применение коаксиальных кабелей и
свитых пар с формированием разнополярных сигналов на обеих проводах пара.
Высокочастотный переменный или импульсный ток неравномерно распределяется по сечению проводника, имея наибольшую плотность у его поверхности,
что является результатом проявления поверхностного эффекта. Поверхностный эффект увеличивает
сопротивление проводника переменному току. Воздействие поверхностного эффекта сказывается
на искажении фронта и формы импульса, поскольку разные частоты затухают в
материале проводника неодинаково. Для ослабления поверхностного воздействия
эффекта используют проволоку, свитую из большого числа изолированных друг от друга.
одного жил.
Для устранения перекрестных помех линии передачи экранируют. Применение ЛП с экранирующей металлической оболочкой является ее эффективным способом.
защиты от действий электрического и электромагнитного полей Экраны необходимо заземлять короткими проводами минимального индуктивного сопротивления или путем
непосредственного контакта с корпусом прибора Отсутствие заземления экранов ЛП не устраняет емкостную связь между центральными проводами. Если ток,
что протекает по центральной проволоке ЛП, равной обратному току через
его оплетки, то в пространстве, окружающем линию, электромагнитное поле отсутствует.
Материалом токопроводящих жил проволок является медь и ее
сплавы. С уменьшением габаритов аппаратуры, уменьшением длин и диаметров
монтажных проводов, а также усилением требований механических действий, все больше
отношения стали находить медные сплавы, обладающие более высокой прочностью на разрыв
и гибкость при небольшом ухудшении проводимости.
Монтажные провода бывают одножильными и многожильными. Высокая
гибкость, долговечность и надежность проволоки в условиях действий ударов и вибраций обеспечивается свивкой нескольких единичных проволок в многожилье. Промышленность выпускает многожильную проволоку на 3, 7, 12, 17, 19, 27 и 37 круглых
жил. Многожильная проволока с суммарной площадью поперечного сечения токопроводящих жил, равной площади поперечного сечения одиночной проволоки, имеет
несколько больше диаметр и стоимость, которые растут с увеличением числа жил.
Повышение механической прочности многожильных проводов достигается вводом в конструкцию проволоки укрепляющей центральной стальной жилки.
Защиту от электрического замыкания проволоки на корпус изделия или соседнюю проволоку осуществляют нанесением на токопроводящую жилу изоляционного покрытия. Материал и конструкция изоляции должны обеспечивать высокие значения электрических параметров (диэлектрическую прочность, сопротивление изоляции, диэлектрическая постоянная) в процессе и после приложения внешних действий, а также затем длительного
хранение. В настоящее время существует большое разнообразие различных типов изоляционных покрытий.
Проволоку выбирают исходя из необходимых условий эксплуатации, погрузки по току, допустимого падения напряжения, утечки тока, диэлектрической прочности. Одножильные провода рекомендуется использовать в стационарной аппаратуре, не подпадающей под действие ударов и вибраций. Увеличение числа жил проволоки повышает его устойчивость к многократным перегибам в условиях.
действия вибраций. Многожильные провода применяют в бортовой аппаратуре.
Можно рекомендовать следующий размерный ряд сечений токопроводящих жил монтажных проводов: 0,03; 0,05; 0,08; 0,12; 0,20; 0,35; 0,50; 0,75; 1,0;
1,5; 2,5 мм2. Выбор диаметра проволоки зависит от протекающего тока и допустимого перегрева проволоки. Плотность тока для разных диаметров проводов при
длительных допустимых токовых нагрузках, приводящих к перегреванию провода на 20 °С относительно окружающей среды, приведены в таблице.
Допустимые токи нагрузки медных проводов
| Электрический параметр | Диаметр, мм | 0.25 | 0.35 | 0.5 | 0.7 | 0.9 | 1.1 | 1.4 | 1.6 | 1.8 | 2.5 |
|---|---|---|---|---|---|---|---|---|---|---|---|
| Плотность тока, А/мм² | 14 | 13 | 12 | 10 | 10 | 10 | 9 | 9 | 8 | 8 | |
| Ток, А | 0.7 | 1.3 | 2.5 | 4 | 7 | 10 | 14 | 17 | 20 | 30 |
Допустимые токи нагрузки медных проводов Из данных этой таблицы следует, что для проводов малых диаметров имеет место большая плотность токов
счет более активного теплообмена с окружающей средой. Ниже в таблице приведены
марки широко используемых монтажных проводов.
Марки монтажных проводов
| Монтажный провод | Марка | Темп., °C | Область применения |
|---|---|---|---|
| С волокнистой и полихлорвиниловой изоляцией | МШВ, МГШВ, МГШВЭ, МГВ, МГВЭ | -60 / +70 | Фиксированный внутри- и межприборный монтаж устройств для полевых условий |
| С полихлорвиниловой изоляцией | МГВЛ, ПМВ, ПМОВ, ПМВГ | -60 / +70 | Фиксированный монтаж низкотоковой аппаратуры |
| С лавсановой изоляцией, теплостойкий | МГТЛ, МГТЛЭ | -60 / +150 | Фиксированный и гибкий внутриприборный монтаж |
| Малых сечений | МГТФ, МГСТФ, МГТФЭ | -60 / +70 | Монтаж низкотоковой аппаратуры |
| С полиэтиленовой изоляцией повышенной теплостойкости | ПМП, ПМПЭ, ПМПЛ | -60 / +220 | Внутри- и межприборный монтаж |
Витую пару получают переплетением между собой с определенным
шагом двух изолированных проводов. При свивке проводов снижаются электромагнитные связи между цепями и повышается их защищенность от взаимных и
внешних помех. Благодаря свиванию проводов вместо одного контура связи получается как бы несколько одинаковых по площади малых контуров, при этом токи
Наводимые помехи внешним электромагнитным полем имеют в свитой паре противоположное направление и взаимно компенсируются.
Для ЛП с диаметром жил 0,9-1,2 мм шаг свивки должен быть 100-300 мм,
Для диаметров 0,3-0,8 мм шаг выбирают в пределах 40-90 мм. Для разных шагов
свивки коэффициенты ослабления помех составляют следующие значения:
Шаг свивки, мм ............................ 100 75 50 25.
Коэффициент ослабления, дБ.........23 37 41 43.
Индуктивность извитого пара ниже, чем индуктивность несимметричной
двухпроводной ЛП. Волновое сопротивление извитой пары вычисляется по формуле:

где ,
– относительная диэлектрическая проницаемость воздуха изоляции проводов,
d1 и d
– диаметр проволоки с изоляцией и без изоляции.
Звитая пара обеспечивает хорошую защиту сигналов от воздействия электромагнитных помех до частоты 100 кГц и удовлетворительную до частоты 10 МГц, гарантируя
при этом постоянство волнового сопротивления.
Улучшение помехоустойчивости ЛП в высокочастотной аппаратуре обеспечивается применением коаксиальных кабелей.
Коаксиальный кабель представляет собой двухпроводную ЛП, состоящую из наружного трубчатого проводника (оплетка), внутри которого соосно расположен
проволока, отделенная диэлектрической средой от оплетки.
Промышленность испускает коаксиальные кабели с волновым сопротивлением от 50
до 3200 Ом и номинальным диаметром от 0,6 до 120 мм. Марка кабеля указывает
его тип, волновое сопротивление, диаметр, группу изоляции и термостойкость, порядковый номер разработки. Например, марка кабеля РК-50-4-11 означает, что это
радиочастотный кабель с волновым сопротивлением 50 Ом, диаметром 4 мм, обычный
термостойкость 1 с порядковым номером разработки 1.
Коаксиальный кабель используется для передачи различных сигналов в широком частотном диапазоне. Постоянство электрических параметров,
высокая защищенность от электрических и электромагнитных полей обуславливает
широкое использование коаксиальных кабелей.
При межприборной коммутации низкочастотной аппаратуры оплетки
коаксиальный кабель для предотвращения появления контуров заземления заземляется на одном конце через выводы электрического соединителя. Оплетка кабеля высокочастотной аппаратуры соединяется с линией нулевого потенциала в
нескольких точках через интервал 0,25λ, где λ – длина волны сигнала на самой высокой частоте. При протекании значительных токов по линии нулевого потенциала
многоточечное заземление кабеля теряет свою эффективность. В таблице приведены главные марки коаксиальных кабелей.
| Кабель | Марка | Темп., °C | Область применения |
|---|---|---|---|
| Радиочастотные с цельной изоляцией | РК-50-2, РК-75-4, РК-100-7, РК-50-9, РК-75-9, РС-400-7, РС-1600-7 | -60 / +70 | Стационарная и передвижная аппаратура |
| Спиральные | — | -60 / +85 | Элементы задержки импульсных сигналов |
| Радиочастотные теплостойкие малогабаритные | РКТ-72, РКТ-73 | -60 / +125 | Внутриблочный монтаж |
Наличие оплетки коаксиального кабеля приводит к резкому росту емкости между прямым проводником и экраном, что обязательно должно
учитываться на этапе проектирования схем. Коаксиальные кабели имеют значительные
габариты, сложные в монтаже и рекомендуемые к использованию для внутримодульной и межмодульной коммутации.
Исследование, описанное в статье про электрические соединения, подчеркивает ее значимость в современном мире. Надеюсь, что теперь ты понял что такое электрические соединения и для чего все это нужно, а если не понял, или есть замечания, то не стесняйся, пиши или спрашивай в комментариях, с удовольствием отвечу. Для того чтобы глубже понять настоятельно рекомендую изучить всю информацию из категории Конструирование и проектирование электронной аппаратуры
Комментарии
Оставить комментарий
Конструирование и проектирование электронной аппаратуры
Термины: Конструирование и проектирование электронной аппаратуры