Лекция
Сразу хочу сказать, что здесь никакой воды про задачи транзисторы, и только нужная информация. Для того чтобы лучше понимать что такое задачи транзисторы, задачи усилители , настоятельно рекомендую прочитать все из категории Электроника, Микроэлектроника , Элементная база.






Условие
У полевого транзистора с управляющим р-n переходом максимальный ток стока равен 1мА, а напряжение отсечки – 4В. Какой ток будет протекать при обратном напряжении смещения затвор-исток, равном 2В? Чему равна крутизна и максимальная крутизна в этом случае?
Решение
Ток стока можно найти из выражения:

Выражение для крутизны характеристики полевого транзистора:

Максимальная крутизна:

Ответ: 0,25А; 0,25 мА/В; 0,5 мА/В.
Условие
В усилительном каскаде с общим истоком сопротивление нагрузки равно 20 кОм. Эффективное входное сопротивление полевого транзистора составляет 20 кОм, а рабочая крутизна – 2 мА/В. Определите коэффициент усиления каскада.

Решение
Вычислим сначала результирующее сопротивление нагрузки:

Коэффициент усиления каскада:

Ответ: 20.
Условие
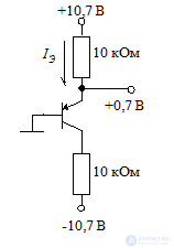
В усилителе, показанном на схеме, при напряжении затвор-исток, равном 2В, ток стока равен 1 мА. Определите сопротивление резистора Rи, если падением напряжение IзRз можно пренебречь. Найдите напряжение Ec, если Rи=10 кОм, Uси=4 В.

Решение
Сопротивление Rи можно найти по закону Ома:

Напряжение источника питания равно:

Ответ: 2 кОм; 16 В.
Условие
Полевой транзистор с управляющим p-n переходом имеет следующие характеристики при температуре 25оС: начальный ток стока IСн = 10 мА, напряжение отсечки U0 = -2 В. Оценить, на сколько процентов изменится (увеличится или уменьшится) ток стока в пологой области выходной ВАХ, если между затвором и истоком поддерживать напряжение Uзи = -0,5 В, а температуру поднять до 85 градусов Цельсия.
Решение
Изменение начального тока стока ПТ с управляющим р-n переходом может быть оценено по приближенной формуле:

Smax следует подставлять в мА/В, а Iсн – в мА, чтобы результат получился в мА. Об этом говорит сайт https://intellect.icu . В относительных величинах:

С ростом температуры напряжение отсечки всегда возрастает по модулю, а начальный ток стока убывает при Uо > 0,6 В и возрастает при Uо < 0,6 В.
Так как в рассматриваемом случае напряжение отсечки более 0,6, то начальный ток стока должен уменьшаться при росте температуры.
Максимальная крутизна при заданном напряжении затвор-исток:

Таким образом, уменьшение тока стока составит:
Ответ: ток уменьшиться на 31%.
Условие
Полевой транзистор с управляющим p-n-переходом, имеющим ICmax = 2 мА и Smax=2 мА/В, включен в усилительный каскад по схеме с общим истоком. Сопротивление резистора нагрузки Rн=10 кОм. Определить коэффициент усиления по напряжению, если UЗИ = - 1 В.
Решение
Найдем напряжение отсечки:

Определим крутизну транзистора при напряжении затвор-исток, равном -1В:

Коэффициент усиления по напряжению равен:

Ответ: 10
Вопрос 1. Что такое p-n переход?
Ответ. Электронно дырочный переход (или p-n переход) представляет собой область соприкосновения двух разных проводников с разными типами проводимости: электронной и дырочной.

В одной области носителями заряда являются электроны, а в другой – дырки. На границе соединения двух полупроводников создается запирающий слой. Электрические процессы, происходящие в p-n переходе, лежат в основе работы многих полупроводниковых приборов.
Ответ. Транзистор – полупроводниковый прибор, предназначенный для усиления, генерирования и изменения электрических колебаний. Обычно транзистор имеет три вывода и представляет из себя триод.
Ответ. По принципу действия транзисторы делятся на:
Наиболее широкое применение в электронике находят биполярные транзисторы.
Ответ. Биполярный транзистор включает в себя два p-n перехода и состоит из трех областей: эмиттера, базы и коллектора. Эмиттер и коллектор имеют одинаковый тип проводимости, а проводимость базы противоположная.
В полевом транзисторе используется один тип проводимости. Такой транзистор представляет собой классический триод и состоит из трех элементов: истока (катода), стока (анода) и затвора (управляющего электрода).
Ответ. Транзистор может быть включен по схемам с общей базой, общим эмиттером и общим коллектором.
1. Определить ток базы и коэффициент передачи h21э БПТ, включенного по схеме с общим эмиттером, если приращение тока коллектора равно 17 мА, а тока эмиттера 18 мА. Определить токи транзистора IБ , IК , IЭ и напряжения на его зажимах относительно общей шины UБ , UК , UЭ для схемы.

2. Определить коэффициент усиления по постоянному току транзистора для
схемы.

3. Определить коэффициент усиления по постоянному току транзистора для
схемы.

4. Определить ток IЭ в схеме с биполярным транзистором.

5. Определить ток IЭ и напряжение UК для схемы.

6. Определить ток IЭ и напряжение UК для схемы.

7. Определить мощность на выходе усилителя напряжения, если Rн = 40 Ом, коэффициент усиления по напряжению 200, напряжение на входе 0,01, В.

8. Определить напряжение на входе усилителя, если сопротивление
Rн = 100 Ом, Рвых = 2,5 Вт, КU = 50.

9. Определить напряжение на входе усилителя, если сопротивление
Rн = 100 Ом, Рвых = 2,5 Вт, КU = 50.

10. Определить ток базы Iб и падение напряжения на транзисторе Uкэ в усилителе напряжения, если Rб = 150 кОм, Rк = 1,25 кОм, Ек = 9 В, h21 = 40, Uбэ = 0

11. Определить коэффициент усиления двухкаскадного усилителя по току KI и напряжению KU, если сопротивление нагрузки 10 Ом, напряжение на входе усилителя 0,1 В, мощность, отдаваемая в нагрузку 0,45 Вт, входное сопротивление первого каскада 100 Ом.

12. Определить сопротивление Rк усилителя напряжения , если Ек = 10 В, Uкэп=4 В, Iкп = 5 мА

13. Найти в усилителе напряжения значение Кус, Rвых, если h11 = 900, Ом, h21 = 50, h22 = 0.00016 Сим, Rк = 3 кОм. При расчете использовать схему замещения усилителя.

14. Чему равно Ек в усилителе напряжения, если Uкэп = 7,5 В, Iкп = 1 мА, Rвых=2,5 кОм?

15. В усилителе напряжения на БПТ, с нагрузкой Rн =250 Ом , Uвх = 0.1 В, Iн = 20 мА, Rб = 50 кОм и параметрами транзистора h11 = 400, h21 = 40, h22 = 0, нужно определить коэффициент усиления по напряжению Кu и выходное напряжение. При расчете использовать схему замещения усилителя.

16. Параметры транзистора, включенного по схеме с ОЭ в однокаскадном усилителе, следующие: h11 = 250 Ом, h22 = 0.63•10‾³, h21 = 50, внутреннее сопротивление источника усиливаемых сигналов Rвн = 250 Ом, Евх = 10 мВ, сопротивление коллекторной цепи Rк = 2 кОм, Rн = 200 Ом.
Найти коэффициент усиления по току, коэффициент усиления по напряжению, коэффициент усиления по мощности, Rвых, Rвх усилителя. При расчете использовать схему замещения усилителя.

17. В режиме покоя ток коллектора IKП = 2 мА, напряжение на коллекторе равно половине напряжения источника питания. Значения резисторов в цепях, коллектора R3 = 5 кOм и эмиттера R4 = 1 кOм. Определите напряжение на базе в режиме покоя и сопротивления резисторов делителя в цепи базы. Параметр h21 принять равным 40.

18. В режиме покоя ток коллектора IKП = 100 мкА, напряжение на базе Uбп = 2 B. Определите значения резисторов в цепях коллектора и эмиттера, при которых коэффициент усиления по напряжению равен 5. Параметр h21 = 40.

19. Определите значения R1, R2, R3, R4 в схеме каскада усиления с ОЭ, если напряжение источника питания U = 5 В, коэффициент усиления каскада равен 10. При расчете принять Uкп=0,4•E B, h21> 30, Iкп = 200 мкА.

20. Определите напряжение на коллекторе транзистора для схемы каскада усиления с ОЭ, если напряжение источника питания E=10 В, h21 = 50, R1 = 50 кОм, R2 = 5 кОм, R3 = 3 кОм, R4 = 0.5 кОм
Статью про задачи транзисторы я написал специально для тебя. Если ты хотел бы внести свой вклад в развитие теории и практики, ты можешь написать коммент или статью отправив на мою почту в разделе контакты. Этим ты поможешь другим читателям, ведь ты хочешь это сделать? Надеюсь, что теперь ты понял что такое задачи транзисторы, задачи усилители и для чего все это нужно, а если не понял, или есть замечания, то не стесняйся, пиши или спрашивай в комментариях, с удовольствием отвечу. Для того чтобы глубже понять настоятельно рекомендую изучить всю информацию из категории Электроника, Микроэлектроника , Элементная база
Ответы на вопросы для самопроверки пишите в комментариях, мы проверим, или же задавайте свой вопрос по данной теме.
Комментарии
Оставить комментарий
Электроника, Микроэлектроника , Элементная база
Термины: Электроника, Микроэлектроника , Элементная база